                          
¡@ |

FME pages¡G 01
02
03
04
|
|
|
¡@
|
|
|
RIGHT
ANGLE PCB MOUNT PLUG
|
|
P/N
|
Cable
Group
|
Impedance
|
|
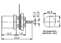
8040-83
|
N/A
|
50
|
|
|
|
|
|
|
|
|
|
¡@
|
|
|
P/N
|
Cable
Group
|
Impedance
|
|
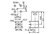
8041-86
|
N/A
|
50
|
|
|
¡@¡@Best Viewed
with Explorer 6.0 or above and a resolution of 1024*768
©2003 YUAN CHIH TECHNOLOGY CO., LTD. HUW
SHANG TECHNOLOGY CO., LTD. All Rights Reserved |