SSMA Series

Specifications

 

Electrical:

Impedance

50 ohm

Frequency Range

0 - 18 GHz

Working Voltage

250 VRMS max.

Dielectric Withstanding Voltage

750 VRMS min.

VSWR

Straigh

1.2+0.03 FGHzmax.

Right Angle

1.2+0.033 FGHzmax.

Contact Resistance

Center Contact 

6 Milliohms Max.

Outer Contact

2.5 Milliohms Max.

Insulator Resistance

1000 Megohms min.

 

Material:

Parts Name

Material

Finish

Body, Metal Parts

Brass per QQ-B-626 or Non-magnetic stainless steel per QQ-S-764#303

Nickel, Gold or Passivity per requirement.

Center Contacts

Plug: Brass per QQ-B-626

Gold

Jack: Beryllium copper per

QQ-C-530

Gold

Insulators

Teflon

White

Crimp Ferrules

Annealed copper

Nickel or Gold per requirement

 

NOTE:Other Material/Finish is Available on Request.

 

Mechanical & Environmental:

Engagement Force

2 in-lbs. max.

Disengagement Force

2 in-lbs. max.

Coupling Nut Retention

22.5 lbs. min.

Coupling Proof Torque

5 in-lbs. min.

Contact Retention

4 lbs. min.

Durability(Mating)

500 cycles min.(For Beryllium copper Jack contact only)

Temperature Range

-55°C to 105°C

Vibration

MIL-STD-202 Method 204 Test Cond.B.

Salt Spray

MIL-STD-202 Method 101 Test Cond.B.

Thermal Shock

MIL-STD-202 Method 107 Test Cond.B.


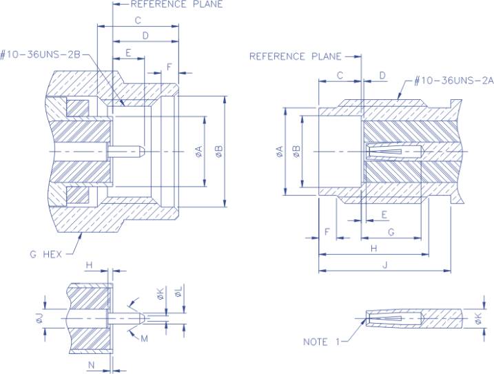
INTERFACE MATING DIMENSIONS

 

 

PLUG

 

 

JACK

Letter

Millimeters

 

 

Letter

Millimeters

Minimum

Maximum

 

 

Minimum

Maximum

A

3.15

3.22

 

 

A

3.89

4.06

B

4.98

5.13

 

 

B

3.23

3.30

C

3.30

-

 

 

C

1.9

1.96

D

2.54

3.38

 

 

D

0.00

0.25

E

1.27

1.65

 

 

E

0.00

0.25

F

0.38

1.14

 

 

F

0.51

1.02

G

6.23

6.47

 

 

G

1.90

-

H

0.00

0.25

 

 

H

4.32

-

J

0.86

0.88

 

 

J

5.84

-

K

-

0.25

 

 

K

0.86

0.88

L

0.50

0.53

 

 

 

 

 

M

70

95

 

 

 

 

 

N

0.00

0.25

 

 

 

 

 

 

 

 

 

 

 

 

 

 

 

 

 

 

 

 

 

 

NOTE 1:I.D. TO MEET VSWR AND CONTACT RESISTANCE

         WHEN MATED WITH 0.5/0.53 MM DIA. PIN.