|
Impedance |
50 ohm | ||
|
|
0 - 11 GHz | ||
|
Working Voltage |
1000 VRMS max. | ||
|
Dielectric Withstanding Voltage |
2500 VRMS min. | ||
|
VSWR |
Straight |
1.3 max | |
|
Right Angle |
1.5 max | ||
|
Contact Resistance |
Center Contact |
3 Milliohms Max. | |
|
Outer Contact |
2 Milliohms Max. | ||
|
Insulator Resistance |
5000 Megohms min. | ||
|
Parts Name |
Material |
Finish |
|
Body, Metal Parts |
Brass per QQ-B-626 |
Nickel or Silver per requirement |
|
Center Contacts |
Plug: Brass per QQ-B-626 |
Gold or Silver per requirement |
|
Jack: Beryllium copper per QQ-C-530 or Phosphor Bronze per QQ-B-750 or Brass per QQ-B-626 |
Gold or Silver per requirement | |
|
Insulators |
Teflon, Delrin |
None |
|
Crimp Ferrules |
Annealed copper |
Nickel or Silver per requirement |
|
Clamp Gaskets |
Silicone rubber, Synthetic rubber |
None |
NOTE:Other Material/Finish is Available on
Request.
|
Engagement Force |
6 in-lbs. max. |
|
Disengagement Force |
6 in-lbs. max. |
|
Coupling Nut Retention |
100 lbs. min. |
|
Coupling Proof Torque |
30 in-lbs. min. |
|
Contact Retention |
6 lbs. min. |
|
Durability(Mating) |
500 cycles min.(for Beryllium copper Jack contact only) |
|
|
-65°C to 165°C |
Vibration |
MIL-STD-202 Method 204 Test Cond.B. |
Salt
Spray |
MIL-STD-202 Method 101 Test Cond.B. |
Thermal
Shock |
MIL-STD-202 Method 107 Test Cond.B. |
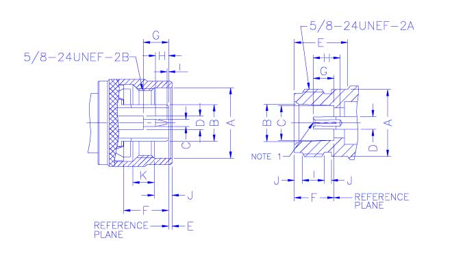
INTERFACE MATING
DIMENSIONS

|
PLUG |
|
|
JACK | ||||
|
Letter |
Millimeters |
|
|
Letter |
Millimeters | ||
|
Minimum |
Maximum |
|
|
Minimum |
Maximum | ||
|
A |
16.00 |
- |
|
|
A |
- |
15.93 |
|
B |
- |
8.38 |
|
|
B |
8.53 |
8.74 |
|
C |
1.60 |
1.68 |
|
|
C |
8.03 |
8.13 |
|
D |
3.00 |
3.15 |
|
|
D |
3.00 |
3.15 |
|
E |
0.41 |
1.52 |
|
|
E |
10.72 |
- |
|
F |
10.11 |
10.46 |
|
|
F |
9.04 |
9.19 |
|
G |
5.33 |
5.84 |
|
|
G |
4.75 |
5.26 |
|
H |
3.30 |
4.32 |
|
|
H |
5.33 |
- |
|
I
|
0.08 |
- |
|
|
I |
4.37 |
5.13 |
|
J |
4.01 |
4.27 |
|
|
J |
1.19 |
1.96 |
|
K |
4.50 |
5.00 |
|
|
|
|
|
|
|
|
|
|
|
|
|
|
NOTE
1:I.D. TO MEET VSWR AND CONTACT RESISTANCE
WHEN MATED WITH 1.6/1.68 MM DIA. PIN.