|
Impedance |
75 ohm | ||
|
|
0 - 1 GHz | ||
|
Working Voltage |
335 VRMS max. | ||
|
Dielectric Withstanding Voltage |
1000 VRMS min. | ||
|
VSWR |
Straight |
1.3 max | |
|
Right Angle |
1.5 max | ||
|
Contact Resistance |
Center Contact |
4 Milliohms Max. | |
|
Outer Contact |
2 Milliohms Max. | ||
|
Insulator Resistance |
1000 Megohms min. | ||
|
Parts Name |
Material |
Finish |
|
Plug |
Body/Metal Parts: Brass per QQ-B-626 |
Nickel |
|
Outer Contacts: Phosphor Bronze per QQ-B-750 |
Gold | |
|
Center Contacts: Brass per QQ-B-626 |
Gold | |
|
Jack |
Body/Metal Parts: Brass per QQ-B-626 |
Gold/Nickel |
|
Center Contacts: Phosphor Bronze per QQ-B-750 |
Gold | |
|
Insulators |
Teflon |
None |
|
Crimp Ferrules |
Annealed copper |
Nickel or Gold per requirement |
NOTE:Other Material/Finish is Available on
Request.
|
Mating |
M9*0.5 threaded coupling |
|
Contact Retention |
6 lbs. min. |
|
Durability(Mating) |
500 cycles min.(for Beryllium copper Jack contact only) |
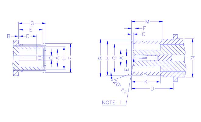
INTERFACE MATING
DIMENSIONS

|
PLUG |
|
|
JACK | ||||
|
Letter |
Millimeters |
|
|
Letter |
Millimeters | ||
|
Minimum |
Maximum |
|
|
Minimum |
Maximum | ||
|
A |
4.00 |
- |
|
|
A |
- |
3.8 |
|
B |
- |
0.15 |
|
|
B |
M9*0.5 | |
|
C |
0.97 |
1.03 |
|
|
C |
0.25 |
- |
|
D |
3.9 |
4.3 |
|
|
D |
9.7 |
- |
|
E |
- |
5.5 |
|
|
F |
0.9 |
1.1 |
|
F |
Flared To
Meet Good Electrical
Contact |
|
|
G |
6.6 |
6.69 | |
|
|
|
H |
8.1 |
8.25 | |||
|
G |
6.4 |
6.6 |
|
|
K |
6.7 |
- |
|
H |
5.6 |
|
|
M |
7.0 |
7.5 | |
|
|
|
|
|
|
N |
5.6 | |
NOTE
1:I.D. TO MEET VSWR AND CONTACT RESISTANCE
WHEN MATED WITH 1.0/1.06 MM DIA. PIN.